Home 〉Product world 〉Free roller and conveyor 〉steel roller and conveyor 〉?57 roller, HR-5721 roller conveyorYPE: HR-5721/R-5726
NAME:?57 carbon steel roller conveyor

>>details
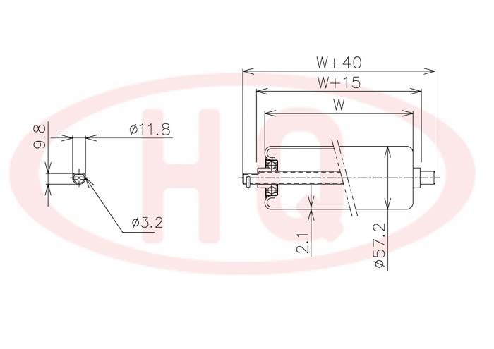
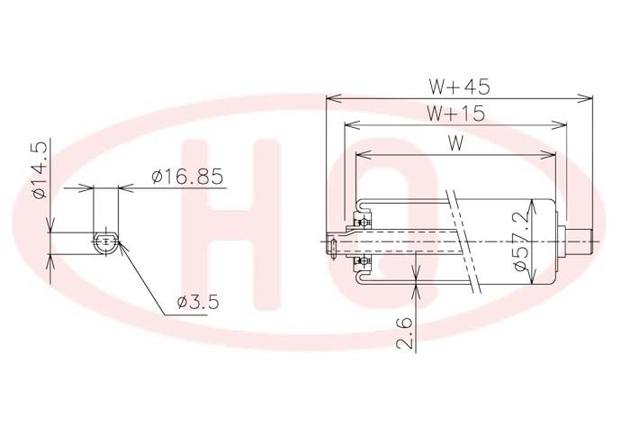
1.roller diameter:?57mm(tube thickness:2.1mm)
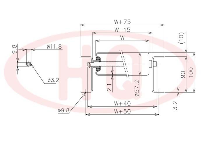
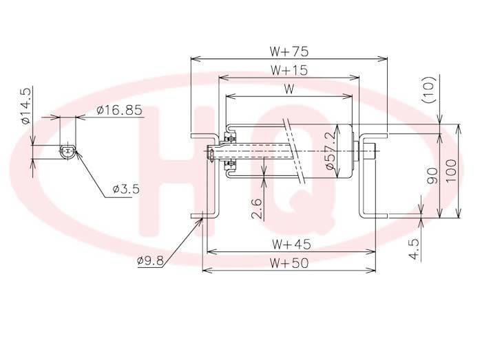
2.frame: 90mmX30mmx3.2mm---C steel
3.width: 100mm~1000mm
4.load capacity: max280kg
>>Spe.
(U: mm)
| roller width W (mm) | 100 | 200 | 300 | 400 | 500 | 600 | 700 | 800 | 900 | 1,000 | ||
| conveyor width W+75 (mm) | 175 | 275 | 375 | 475 | 575 | 675 | 775 | 875 | 975 | 1,075 | ||
| roller load capacity (kg) | 280 | 245 | 210 | 180 | 145 | 120 | 110 | 95 | 85 | 72 | ||
| conveyor weight 3,000L (kg) | 75P | 39.5 | 51.9 | 64.3 | 76.8 | 89.2 | 103.0 | 115.4 | 127.8 | 140 | 152.6 | |
| 100P | 35.0 | 44.4 | 53.8 | 63.3 | 72.7 | 83.5 | 92.9 | 102.3 | 112 | 121..1 | ||
| roller weight(shaft) (g) | 450 | 750 | 1,050 | 1,350 | 1,650 | 1,950 | 2,250 | 2,550 | 2,850 | 3,150 | ||
>>drawings
1.HR-5721 drawings


2.HR-5726 drawings


3.R-5721&R-5726 roller conveyor drawings



